Hydraulic filter collapse

Left hooker

Left hooker

Well-known member
One of our 3cx pumps has s**t its self and steering and front bucket levers have all now gone solid back ones are still lose as a to half pump but performance is GREATLY reduced
The solid levers at a guess is the bits of pump in the spools
 
Mick-the-fitter

Mick-the-fitter

It’s what I do!
They are not to bad to strip and rebuild, check that plate spring isn’t broken, this would allow the pump to deliver oil all the time, and load sensing would not make a lot of difference.
 
Vinpetrol

Vinpetrol

Well-known member
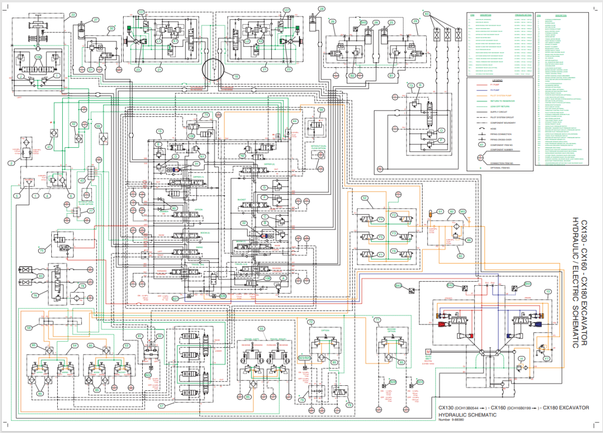
Here we go , I found a schematic . It's in a pdf of 660 pages and I don't know how I post it up so I've taken 2 pics to show the hydraulic schematic .

I can't load the pics , I keep getting a server error . Any idea how I sort this ?
 
Last edited:
Vinpetrol

Vinpetrol

Well-known member
Ive just seen @Regy53 post about issues posting pics . As soon as it's good to go I will post up the schematic of the hydraulic system as I've found a conclusive one that will hopefully shed some light on what's happening .
 
Last edited:
Vinpetrol

Vinpetrol

Well-known member
I can now post pictures again . So I tried to post the pdf schematic but this is what happens when I try .
Any idea how I can post it ?
 

Attachments

  • 7-27353_EN CX130 SM.pdf
    284.5 KB · Views: 221
V8Druid

V8Druid

do it as well as you can,but learn to do it better
1712360431437.png
 
Vinpetrol

Vinpetrol

Well-known member
Update on this today
I ordered oem replacement return filter and tank breather filter (which hadn't been changed in 8k hours as I never knew it was there)from hodge plant .
Also new seals for both openings into hydraulic tank to eliminate any water ingress . I changed all and ran the machine up . All seems to be fine . I wasn't expecting that. I really assumed that I had a problem in the hydraulic system somewhere. The only thing is I stupidly changed both filters in one go so now I'm not sure which was creating the problem . Anyway . The only issue I have now is that if I dead end the dipper or boom it pulls down the engine . as I had the pump rebuilt 1k hours ago and it's always done this since it was fitted I called the rebuilders heavy hydraulics and they suggest that I need to back pump regulators off a bit . They say it's perfectly normal to need to do this as pump needs to match engine output and they can't be sure where that is when they bench set up the pump.
anyway the front regulator is easily accessed but the rear one faces the pump bell housing and looks difficult to get to , especially to make very small adjustments and be able to see it .
anyone else done this ?
 
V8Druid

V8Druid

do it as well as you can,but learn to do it better
Update on this today
I ordered oem replacement return filter and tank breather filter (which hadn't been changed in 8k hours as I never knew it was there)from hodge plant .
Also new seals for both openings into hydraulic tank to eliminate any water ingress . I changed all and ran the machine up . All seems to be fine . I wasn't expecting that. I really assumed that I had a problem in the hydraulic system somewhere. The only thing is I stupidly changed both filters in one go so now I'm not sure which was creating the problem . Anyway . The only issue I have now is that if I dead end the dipper or boom it pulls down the engine . as I had the pump rebuilt 1k hours ago and it's always done this since it was fitted I called the rebuilders heavy hydraulics and they suggest that I need to back pump regulators off a bit . They say it's perfectly normal to need to do this as pump needs to match engine output and they can't be sure where that is when they bench set up the pump.
anyway the front regulator is easily accessed but the rear one faces the pump bell housing and looks difficult to get to , especially to make very small adjustments and be able to see it .
anyone else done this ?
possibly creating a raised pressure level in the tank, back pressuring the return and increasing the pressure through the return filter ??
 
D

DaveDCB

Well-known member
It’s what I thought then, breathers are there for a reason.. biggest problem is dealers have no idea what parts need swapping other than 500/1000hr services!
 
Vinpetrol

Vinpetrol

Well-known member
It’s what I thought then, breathers are there for a reason.. biggest problem is dealers have no idea what parts need swapping other than 500/1000hr services!
Looks like it Dave , could have been the return filter as the one I fitted wasn’t OEM and the new one is , from hodge plant . But the guys I get them from KD plant in NI are very knowledgable and helpful and sell all stuff case and hitachi . So I actually think as you say it was the breather .
 
Vinpetrol

Vinpetrol

Well-known member
Im afraid I need to resurrect this thread again .
The Cx130 has been at my house all the time I’ve been building so it’s not seen much action at all. I needed it on a site this week so I serviced it today . The bloody hydraulic filter is collapsed again .
A wee while ago I got the pumps backed off a wee bit as they were pulling the engine down when dead ending a service and this sorted that issue out .
I fitted the new hydraulic filter as I thought backing the pumps off might of sorted it out but all it did was immediately collapse the new filter then worked fine with it collapsed .
If the pump is still asking for too much could this be sucking the filter apart ?
Also the pilot pump is on the end of the hydraulic main pump , it gets its feed of oil teed into the main pump feed could the main pumps be sucking that hard to get oil that it is creating a vacuum in the pilot pump ? Then it collapses the filter and gets all the oil it wants ?
 
Last edited:
Vinpetrol

Vinpetrol

Well-known member
Number 1 is the oil reservoir, number 6 is return filter and number 4 is a bypass valve .
I can't see any evidence of it in the tank , I'm wondering is it the spring on top of the filter , could this let oil by somehow . the spring sits on a white plastic thing on top of the filter . could I off set this up wrong ?
 
Last edited:
Vinpetrol

Vinpetrol

Well-known member
Is it your return filter Vin, or your suction filter in the bottom of the tank?
The suction filter is in the bottom of the tank . The return filter is in the reservoir . Are you familiar with how the bypass works? I think it's something to do with the spring on top of the filter . Im not sure though.
 
Gecko

Gecko

Well-known member
Return filter
EDIT: Suggestions below assumed it was the suction filter

What oil are you running in the hydraulics?
If the oil is too heavy (say 46 when 32 is called for), then the flow resistance will be a lot higher than expected.
That said, a hard vacuum is -14.7psi. The only way you can exceed that pressure on the filter is if the hydraulic tank is becoming pressurised.
Is it possible the breather is blocked? (tbh, I would have thought the tank would burst before the filter collapsed).

1776119374419.png


Rethink - The only reason the return filter will collapse is it has too much pressure around it (fairly obvious).
The filter is protected by a bypass valve that should limit the pressure to 0.9 Bar (13psi) (at modest flow rate).
The two likely causes are:
- The bypass valve is blocked/restricted
- The flow rate is much higher than expected.
 
Last edited:
Top